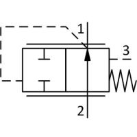
DW05830V
- Meter-in pressure compensator
- Spool type
- Direct-acting
- Cartridge valve
SKU
GP_1000486791
Product Search
Filter selection
Reset filter
Express
Ready for dispatch within 48 hours of order confirmation. Express surcharge is 10% of the order value, but with a minimum of ?25. Please always order express products in a separate order - mixed shipping (express and regular) is not possible.
In stock
Control type
0
select all
Reset selection
Control type
Control pressure differential
select all
Reset selection
Control pressure differential
Do you need a custom solution? You can send a product enquiry straight to our experts.
|
|
DW05830V-21-C-N-03
Material no. 4174832
Deliverable within ca. -
days
Request replacement time
loading...
The replacement time depends on the product quantity.
|
|
||||||
|
|
DW05830V-21-C-N-10
Material no. 3031531
Deliverable within ca. -
days
Request replacement time
loading...
The replacement time depends on the product quantity.
|
|
||||||