VP-DRP10

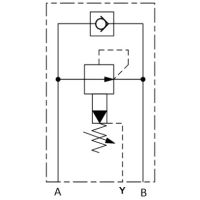
  • Pressure-reducing valve
  • Spool type
  • Pilot-operated
  • Manifold-mounted
SKU
GP_1000486747
Product Search
Filter selection
Reset filter